Innhold

Av
Mari Eilertsen
Utgiver
Universitetsmuseet i Bergen, Universitetet i Bergen
Last ned (783.04 KB, PNG)

Skallets ventral- og dorsalside (Lengde = 33 mm)

Skall

Det tykke skallet er utvendig og har vanligvis en pærelignende form sett ovenifra. Det tynne ytre laget av skallet (periostrakum) er ofte synlig og kan variere fra brunt til hvitt; selve skallet er hvitt. Åpningen er stor, der den øvre kanten er avrundet og vil i de fleste tilfeller ikke strekke seg forbi toppe av skallet (apeks). Skallet har et mønster bestående av store vekstlinjer og spirallinjer som består av små runde fordypninger som henger sammen. Størrelsen på skallet varierer mellom 3,6–70 mm.

Kropp

Kroppen er hvit, gul eller brun. Hodeskjoldet er bredt. Foten har sideforlengelser (parapodial fliker) og mantelen har forlengelser under sneglen (pallial flik).

Anatomi

Raspetungen (radula) består av en indre sidetann på hver side og en midttann (rachidie). Sidetennene er kurvet med en bred base og enkel dentikulasjon i en rad. Dentiklene kan forekomme på den ytre kanten og noen ganger på den indre kanten. Midttannen har tre fliker på framenden, to avrundende på sidene og en spiss i midten. Midttannen har en kvadratisk base. Kråsen (tyggemagen) inneholder tre kråsplater av ulik størrelse. To av disse danner et par som kan variere i form fra trekantet til å ha tre avrundete fliker. Den single platen er avrundet og mye mindre. Midten av platen er ofte gul og mye tykkere enn kantene. Spyttkjertlene er korte og ujevne. Det hannlige reproduksjonssystemet består av et sylinderformet peniskammer og en sylinderformet prostata som er avrundet i toppen og smalner mot peniskammeret. Peniskammeret inneholder ikke en penis (penispapill), men de indre veggene er dekket av myke vorter. Prostata er fylt av et svampaktig vev.

Av
Mari Eilertsen
Utgiver
Universitetsmuseet i Bergen, Universitetet i Bergen
Last ned (110.4 KB, PNG)

Det hannlige reproduksjonssystemet, målestokk = 5 mm. Forkortelser: pk: peniskammer, pr: prostata.

Økologi

Finnes på dyp mellom 70–630 m. Denne arten spiser foraminiferer, skjell (Bivalvia), snegler, sjøtenner og av og til sipunkulider. Denne arten kan produsere stoffer (sekundærmetabolitter) dom sannsynligvis fungerer som alarmferomoner.

Utbredelse

Finnes i Øst Atlanteren fra Finnmark til de Britiske Øyer, Europa, Middelhavet, Kanariøyene og Madeira.

Av
Manuel Antonio E. Malaquias
Utgiver
Universitetsmuseet i Bergen, Universitetet i Bergen
Last ned (4.08 MB, PNG)

Levende eksemplar av S. lignarius

Av
Mari Eilertsen
Utgiver
Universitetsmuseet i Bergen, Universitetet i Bergen
Last ned (442.76 KB, PNG)

Skulpturen på skallets overflate (SEM), målestokk = 100 µm.

Av
Mari Eilertsen
Utgiver
Universitetsmuseet i Bergen, Universitetet i Bergen
Last ned (473.89 KB, PNG)

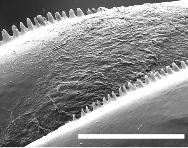
Radula, pilene peker til plasseringen av midttannen (rachidie) og detaljene av sidetennene, målestokk  = 500  µm.

Av
Mari Eilertsen
Utgiver
Universitetsmuseet i Bergen, Universitetet i Bergen
Last ned (602.4 KB, PNG)

Dentikulasjonen på den ytre kanten av sidetennene, målestokk  = 50 µm.

Av
Mari Eilertsen
Utgiver
Universitetsmuseet i Bergen, Universitetet i Bergen
Last ned (493.13 KB, PNG)

Midttann (rachidie), målestokk =  50 µm.

Av
Mari Eilertsen
Utgiver
Universitetsmuseet i Bergen, Universitetet i Bergen
Last ned (282.13 KB, PNG)

Kråsplatene, målestokk = 1 mm.

Av
Mari Eilertsen
Utgiver
Universitetsmuseet i Bergen, Universitetet i Bergen
Last ned (553.81 KB, PNG)

Referanser